Elektrik Plan ve Proje Çizimi

Elektrik plan ve proje çizimi, bir yapının elektrik altyapısının güvenli, verimli ve standartlara uygun şekilde kurulabilmesi için hazırlanan teknik mühendislik çalışmalarını ifade eder. Bu projeler sayesinde elektrik enerjisinin bina içerisinde nasıl dağıtılacağı, hangi ekipmanların kullanılacağı ve elektrik hatlarının nasıl yerleştirileceği detaylı olarak planlanır. Elektrik projeleri hem uygulama sürecinin doğru ilerlemesini sağlar hem de sistemin güvenli çalışmasına yardımcı olur.

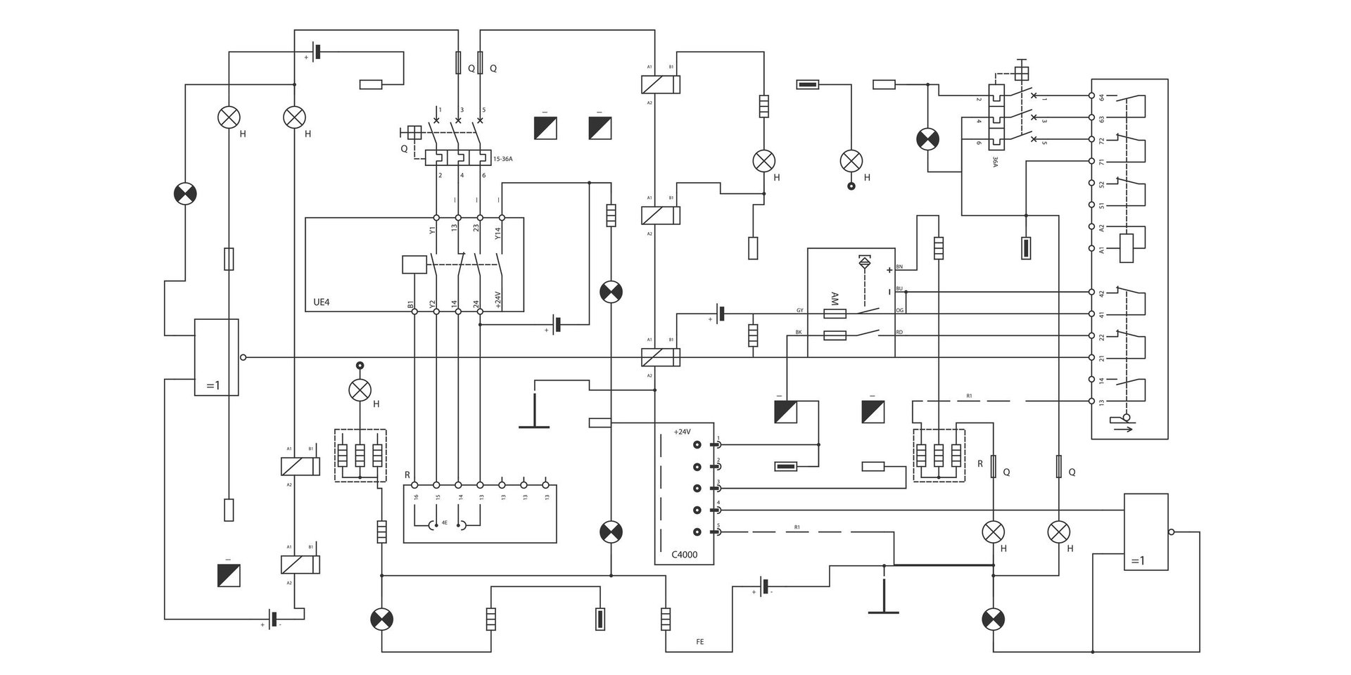
Elektrik proje çizimi sürecinde öncelikle yapının mimari planları incelenir ve binanın elektrik ihtiyacı belirlenir. Daha sonra aydınlatma sistemleri, priz hatları, elektrik panoları, kablo güzergâhları ve diğer elektrikli sistemler plan üzerinde gösterilir. Bu çalışmalar genellikle özel mühendislik yazılımları kullanılarak hazırlanır ve teknik standartlara uygun şekilde çizilir.

Elektrik projelerinde genellikle aydınlatma planı, priz yerleşim planı, elektrik pano yerleşimi, kablo güzergâhları, topraklama sistemi ve enerji dağıtım planları yer alır. Ayrıca bina içerisinde kullanılacak elektrikli cihazların güç hesapları yapılır ve buna uygun kablo kesitleri belirlenir. Bu hesaplamalar sistemin güvenli ve verimli çalışması açısından büyük önem taşır.

Elektrik proje çizimleri sadece konutlar için değil; villalar, ofis binaları, alışveriş merkezleri, fabrikalar ve endüstriyel tesisler gibi birçok farklı yapı türü için hazırlanabilir. Büyük projelerde ayrıca zayıf akım sistemleri, güvenlik sistemleri, kamera altyapısı, yangın algılama sistemleri ve otomasyon sistemleri de elektrik projesine dahil edilir.

Doğru hazırlanmış bir elektrik projesi, uygulama sırasında oluşabilecek hataları önler ve iş süreçlerinin daha hızlı ilerlemesini sağlar. Aynı zamanda enerji verimliliği sağlayan çözümlerin uygulanmasına da yardımcı olur. Elektrik sistemlerinin güvenli çalışabilmesi için projelerin ilgili standartlara ve yönetmeliklere uygun olarak hazırlanması gerekir.

Sonuç olarak elektrik plan ve proje çizimi, bir yapının elektrik altyapısının doğru şekilde kurulmasını sağlayan önemli bir mühendislik çalışmasıdır. Profesyonel olarak hazırlanmış bir proje, hem güvenli bir elektrik sistemi oluşturur hem de uzun vadede enerji verimliliği ve kullanım kolaylığı sağlar.

Elektrik Plan Proje Çizimleri

Altyapı Analizi

Projelerinizin ihtiyaçlarına yönelik kapsamlı altyapı değerlendirmesi sağlıyoruz.

Kurulum Hizmetleri

Profesyonel ekiplerimizle hızlı ve güvenilir montaj gerçekleştiriyoruz.

Bakım ve Destek

Kurulum sonrası kesintisiz hizmet için teknik destek ve periyodik bakım sunuyoruz.

Plan Proje Çiziminde Uzman Çözümlerimiz

Türkiye genelinde kurulumunda kalite ve müşteri memnuniyetini ön planda tutuyoruz.